
KT921 eksenel rolikli rolikli rolikli
O'lchiya: 234.95x546.1x127 mm
Og'irligi: 156 kg
Xarid qilish uchun xush kelibsiz.
KT921 - bu eksener rolikli rolikli rolikli rolikli rolikli rolikli rolikli rolikli rolikli rolikli rulonli rulonli yuklarni, yuqori yuk ko'tarilishi va yaxshi mustahkamlik bilan olib boriladi.

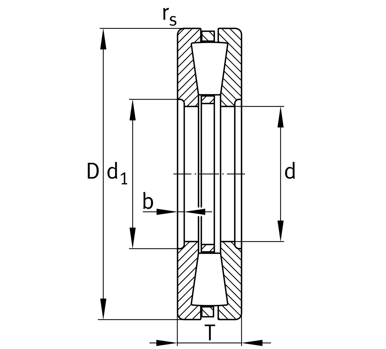
| Tur | Ekselli rulonli rolikli rolikli |
| Bromoq yo'q | KT921 |
| D - ichki diametri | 234.95 mm |
| D - tashqi diametri | 546.1 mm |
| H - rulman / ichki halqasi kengligi | 127 mm |
| Asosiy dinamik yuk Reyting, eksenel | 9000 kn. |
| Asosiy statik yuk reytingi, eksenel | 26000 kn |
| Charchoqni yuklash chegarasi, eksenel | 1920 kn. |
| Cheklov tezligi | 400 r / min |
| Massa | 156 kg |
Arizalar:
Yuqori yuklash hajmi:og'ir yuk va yuqori tezlikda sharoitlar uchun javob beradi.
Ekselni joylashtirish:mil yoki uy-joyning bir uchining eksensial ko'chishini cheklang va milya uy-joy teshiklariga nisbatan egilishiga yo'l qo'ymang.
O'rnatish moslashuvchanligi:Ichki halqani va qafasni o'rnatish va texnik xizmat ko'rsatish qulay bo'lgani uchun ajratish mumkin.
Radial va eksenel yuklarning qoldig'i:Radial yukning ta'siri ostida qo'shimcha eksenel kuchlar yaratiladi, shuning uchun odatda juft-juft qilib o'rnatish kerak.

Yuk tashish usuli:
Express, havo, dengiz, temir yo'l. Dunyoning har bir burchagiga Xitoydan.

Bizning omborimiz va qadoqlash:
Tug'ilishning ko'p sonli, eng qisqa 2 ish kuni etkazib berish uchun eng qisqa 2 ish kuni.
Standart eksport qadoqi yuk tashish xavfsizligini mukammal kafolatlaydi.

Agar sizda KT921 Pul haqida savollar yoki savollaringiz bo'lsa, iltimos, bog'lanishdan tortinmang.
Bizning maqsadimiz, siz foydalanayotgan mashinadan yuqori sifatli parvarishlarimiz bilan muammosiz ishlayotganiga ishonch hosil qilishdir.
Issiq teglar: KT921 eksensial rolikli rolikli rolikli rolikli rolikli rolikli rolikli rolikli rolikli rolikli rolik ishlab chiqaruvchilar, etkazib beruvchilar
So'rov yuborish